ROBOT DÒ ĐƯỜNG TRÁNH VẬT CẢN
Mua sản phẩm
Mô tả sản phẩm

Nhằm giúp các bạn vừa chơi vừa học vừa nghiên cứu. Kênh chế tác xin hướng dẫn các bạn chế tạo 1 xe robot tự hành tránh vật cản rất hấp dẫn và thú vị, xin mời các bạn cùng tôi chúng ta cùng chế tạo nhé !
Thông tin chi tiết
1.Sơ đồ nguyên lý
Hình 1: sơ đồ nguyên lý
Các bạn tải sơ đồ nguyên lý file PDF tại đây :
https://www.mediafire.com/file/h6iwj2t5qvp5uln/XE_ROBOT_TRANH_VAT_CAN.pdf/file
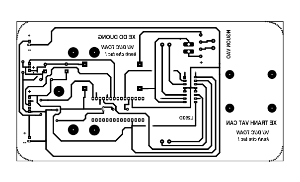
2.Mạch in
Hình 2: mạch in 1 lớp (Các bạn ko tải hình này để ủi nhé )
Các bạn tải file mạch in PDF tại đây :
https://www.mediafire.com/file/6ocq7f5el27a0d3/mach_in.pdf/file
sau đó các bạn nhìn theo hình này để ráp linh kiện cho đúng vị trí, chú ý dây màu đỏ là dây điện các bạn đi ở lớp bên trên dùng để cầu ngang
Hình 3: layout gắn linh kiện
File mạch in proteus các bạn tải ở đây nhé :
https://www.mediafire.com/file/71stfjy0f0g5o7g/XE_ROBOT_TRANH_VAT_CAN.LYT/file
3.Linh kiện
Hình 4: linh kiện điện tử (minh họa)
Các bạn cần chuẩn bị đầy đủ linh kiện điện tử như sau:
https://www.mediafire.com/file/cm4kj4uy2yl4vy9/LINH_KIEN.doc/file
4.Nạp chương trình
Hình 5: phần mềm arduino
Chương trình lập trình trên phần mềm arduino . Các bạn tải file lập trình tại đây:
https://www.mediafire.com/folder/rgpk8f25fti2v/chuong_trinh_robot_tranh_vat_can
6.Sản phẩm hoàn chỉnh
Hình 6: sản phẩm hoàn chỉnh
Sản phẩm liên quan
-
Máy rửa tay tự động dùng cồn nước
-
Mạch điều khiển từ xa qua điện thoại 7 ngõ ra
-
Chốt cửa điện từ chống trộm
-
sạc điện thoại năng lượng mặt trời
-
Hướng dẫn làm thiệp nhạc
-
khóa cửa bằng nam châm điện
-
Chuyển khoan 110v nội địa sang 220v
-
Cân điện tử loadcell
-
hướng dẫn sử dụng pin năng lượng mặt trời
-
Chế tạo bộ điều khiển buồng khử khuẩn toàn thân

